Light slewing bearing with flange structure on both inner and outer rings; slew bearing;single row slewing bearing;Four Point contact bearing;

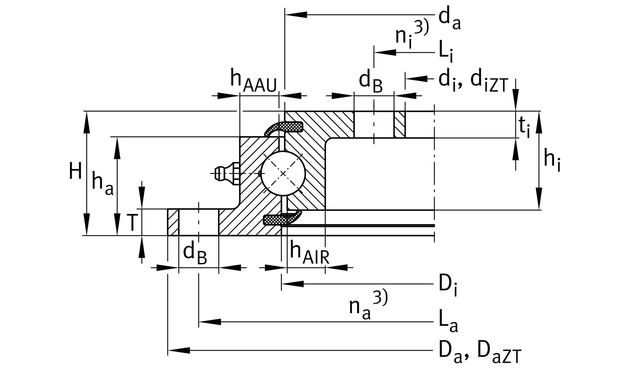
Slew bearing Light slewing bearing product parameter table
| Model | Inner di(mm) | Outer Da(mm) | Hight H(mm) | DWP (mm) | Weight (KG) | ha/h i(mm) | Ca |
| VLU200414 | 304 | 518 | 56 | 414 | 24 | 47.5 | 137KN |
| VLU200544 | 434 | 648 | 56 | 544 | 32 | 47.5 | 152KN |
| VLU200644 | 534 | 748 | 56 | 644 | 37 | 47.5 | 162KN |
| VLU200744 | 634 | 848 | 56 | 744 | 43 | 47.5 | 171KN |
| VLU200844 | 734 | 948 | 56 | 844 | 49 | 47.5 | 182KN |
| VLU200944 | 834 | 1048 | 56 | 944 | 55 | 47.5 | 192KN |
| VLU2001094 | 984 | 1198 | 56 | 1094 | 65 | 47.5 | 220KN |
1)limiting load
2) Bearing with centring (suffix ZT), for centring lengths see dimension drawing.
3) Number of holes per ring.
4) Maximum radial load. For load carrying capacity
5) Bearings are also available without holes in the bearing rings.
Light slewing bearing structure is suitable for occasions with special requirements on weight; DZE produces light series slew bearing and single row slewing bearing all the year round; welcome to consult.

DZE Precision Bearings is located in Luoyang, China, the capital of bearing manufacturing. It has 12 years of experience in precision bearing manufacturing. Precision cross roller bearings, precision slewing bearings, precision YRT turntable bearings, carburized steel rolling mill bearings.
Each set of DZE precision bearings is coated with anti-rust oil before leaving the factory, and EP2 grease or 7018 aviation grease is added inside the bearings.
DZE bearings are generally packaged in three layers, the first layer: waterproof plastic film, the second layer: kraft paper, and the third layer: packaging bags. Our packaging bags are divided into three types: blue, white, and red. The bearings are marked with the "LYDZC" DZE bearing factory logo; in addition, in order to prevent the bearings from being bumped, we use wooden boxes for all bearings, which greatly reduces the damage to the bearings and bearing packaging.
For RU cross roller bearings, RB cross roller bearings, SX cross roller bearings and harmonic reducer bearings, we use vacuum packaging and add paper boxes on the outside.
DZE precision bearing talents have been vigorously developed. There are 15 senior engineers and 5 postgraduates. The company has cooperated with Luoyang LYC Bearing Co., Ltd. and Luoyang ZYS Bearing Research Institute for many years to jointly formulate industry standards and national technical standards, which has made a significant contribution to the development of the company.
DZE certifications are 3.1, 3.2, ABS, CCS. The company team has technology and rich experience in the bearing industry. With a global network, we can solve any bearing problem for you. DZE bearings are a perfect replacement for the most common and well-known brands.
DZE technical service content:
Provide technical support, solution customization, and design of assembly drawings before sales;
During sales: DZE provides strict inspection and record keeping for each process;
After-sales service: Solve all your needs and technical problems 24 hours a day, online contact: Whats app: +8613700810892